SOG(架空線用高圧気中開閉器)
制御電源(VT)・避雷器(LA)内蔵形
製品の主な特徴
- 開閉器本体はステンレス製(SUS304)を標準仕様。全機種耐重塩じん仕様。
- ZnO(酸化亜鉛)素子付き高圧避雷器内蔵。
- 制御電源(AC100V)用変圧器を内蔵しているので、100V低圧電源線を第1柱まで施工する必要がありません。
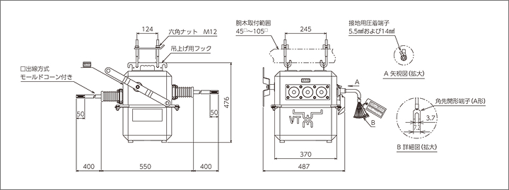
外形図
仕様
準拠規格 JIS C 4607『引外し形高圧交流負荷開閉器』
| 形式 | 一般地区仕様 | 無方向性 | CLS-AP215Se-D | ― | ― | ||||
|---|---|---|---|---|---|---|---|---|---|
| 方向性 | CLD-AP217Se-D | CLD-AP317Se-D | CLD-AP417Se-D | ||||||
| 国土交通省仕様 (モールドコーン仕様) |
無方向性 | CLS-AP215Se-C | CLS-AP315Se-C | ― | |||||
| 方向性 | CLD-AP217Se-C | CLD-AP317Se-C | CLD-AP417Se-C | ||||||
| 定格電圧[kV] | 7.2 | ||||||||
| 定格周波数[Hz] | 50 / 60 | ||||||||
| 定格電流[A] | 200 | 300 | 400 | ||||||
| 定格開閉容量 | 負荷電流[A] | 200 | 300 | 400 | |||||
| 励磁電流[A] | 10 | 15 | 20 | ||||||
| 充電電流[A] | 10 | ||||||||
| コンデンサ電流[A] | 30 | ||||||||
| 連続無電圧開閉性能[回] | 1000 | ||||||||
| 定格短時間耐電流(実効値)[kA] |
一般
|
8 |
モールドコーン
|
12.5 | 12.5 | ||||
| 適用系統短絡容量[MVA] | 100 以下 |
160 以下 |
160 以下 | ||||||
| 定格短絡投入電流(波高値)[kA] | C級 20 |
C級 31.5 |
C級 31.5 | ||||||
| 定格過負荷遮断電流[A] | C級 800 | ||||||||
| ロック電流値[A] | 600 ± 180 | ||||||||
| 定格耐電圧[kV] | 60 | ||||||||
| 汚損特性 | 耐重塩じん用[0.35mg/cm2] | ||||||||
| 主回路口出線 (EPR高圧絶縁電線) |
一般地区仕様 | 80mm2 × 0.4m | 100mm2 × 0.4m | 125mm2 × 0.4m | |||||
| 国土交通省仕様 (モールドコーン仕様) |
100mm2 × 2.0m | 100mm2 × 2.0m | 125mm2 × 2.0m | ||||||
| 制御口出線 (VCTケーブル) |
無方向性 |
外径φ 20mm 1.25mm2 ※9心 10m (内 Z1、Z2 2心シールド付) |
|||||||
| 方向性 |
外径φ 20mm 1.25mm2 11心 10m (内 Z1、Z2、Y1 3心シールド付) |
||||||||
| 避雷器(LA) | 8.4kV 2500A | ||||||||
| 制御電源用変圧器(VT) | 6600/105[V] 25VA(定格負担) | ||||||||
| 総質量[kg] | 一般地区仕様 | 無方向性 | 47 | ― | ― | ||||
| 方向性 | 49 | 50 | 51 | ||||||
| モールドコーン仕様 | 無方向性 | 65 | 65 | ― | |||||
| 方向性 | 67 | 67 | 70 | ||||||
- (注)1.国土交通省(旧建設省)仕様は形式の末尾が-Cとなります。
- 2.操作用にぎり小判形(赤・白セット)および操作用ロープ(赤・緑)各8mは、付属します。
※無方向性の制御口出線は11心の内2心を未使用としています。
ダウンロード
製品カタログ
取扱説明書
図面PDF
-
一般地区仕様
-
国土交通省仕様(モールドコーン仕様)
-
オプション・関連製品
VT内蔵用付属品(412KB)
※表示シールはVT内蔵形、VTLA内蔵形のみの付属品です。
オプション・関連製品
電設資材製品に関するお問い合わせ
電設資材製品 営業担当
- フリー
ダイヤル 0800-200-0440
- 東日本
営業部 03-3251-2690 FAX:03-3251-2695 - 名古屋
営業グループ 0568-67-9811 FAX:0568-67-9815 - 大阪
営業グループ 06-6534-0031 FAX:06-6534-0033 - 福岡
出張所 092-720-5901 FAX:092-720-5902



