SOG(架空線用高圧気中開閉器)
標準形および制御電源(VT)・避雷器(LA)内蔵形(600A)
製品の主な特徴
- 開閉器本体はステンレス製(SUS304)を標準仕様。全機種耐重塩じん仕様。
- ZnO(酸化亜鉛)素子付き高圧避雷器内蔵。(CLD-AP617Se-T)
- 制御電源(AC100V)用変圧器を内蔵しているので、100V低圧電源線を第1柱まで施工する必要がありません。(CLD-AP617Se-T)
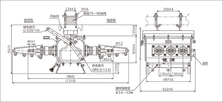
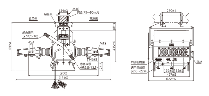
外形図
仕様
準拠規格 JIS C 4607『引外し形高圧交流負荷開閉器』
| 形式 | 標準形 | VT・LA 内蔵形 | |
|---|---|---|---|
| CLD-617Se-T | CLD-AP617Se-T | ||
| 定格電圧[kV] | 7.2 | ||
| 定格周波数[Hz] | 50 / 60 | ||
| 定格電流[A] | 600 | ||
| 定格開閉容量 | 負荷電流[A] | 600 | |
| 励磁電流[A] | 30 | ||
| 充電電流[A] | 10 | ||
| 連続無電圧開閉性能[回] | 1000 | ||
| 定格短時間耐電流(実効値)[kA] | 12.5 | ||
| 適用系統短絡容量[MVA] | 160 | ||
| 定格短絡投入電流(波高値)[kA] | C級 31.5 | ||
| 定格過負荷遮断電流[A] | C級 1200 | ||
| 定格地絡遮断電流[A] | 30 | ||
| ロック電流値[A] | 1000 ± 180 | ||
| 定格耐電圧[kV] | 60 | ||
| 汚損特性 | 耐重塩じん用[0.35mg/cm2] | ||
| 制御口出線(VCTケーブル) |
外径φ 16.1mm 0.75mm2 9心 10m (内 Z1、Z2、Y1 3心シールド付) |
外径φ 20mm 1.25mm2 11心 10m (内 Z1、Z2、Y1 3心シールド付) |
|
| VT | 種類 | ― | モールド形単相 |
| 定格電圧[V] | ― | 6,600 / 105 | |
| 定格負担[VA] | ― | 25 | |
| 取付場所 | ― | 負荷側 | |
| LA | 種類 | ― | ZnO 形避雷器 |
| 定格電圧[V] | ― | 8.4 | |
| 公称放電電流[kA] | ― | 2.5 | |
| 取付数 | ― | 3個(負荷側) | |
| 総質量[kg] | 75 | 90 | |
- (注)操作用にぎり小判形(赤・白セット)および操作用ロープ(赤・緑)各8mは、付属します。
ダウンロード
製品カタログ
取扱説明書
図面PDF
-
オプション・関連製品
VT内蔵用付属品(412KB)
※表示シールはVT内蔵形、VTLA内蔵形のみの付属品です。
オプション・関連製品
電設資材製品に関するお問い合わせ
電設資材製品 営業担当
- フリー
ダイヤル 0800-200-0440
- 東日本
営業部 03-3251-2690 FAX:03-3251-2695 - 名古屋
営業グループ 0568-67-9811 FAX:0568-67-9815 - 大阪
営業グループ 06-6534-0031 FAX:06-6534-0033 - 福岡
出張所 092-720-5901 FAX:092-720-5902

