限流ヒューズ付負荷開閉器
励磁突入電流抑制機能付LBS ENERMIC(自動タイプ)
製品の主な特徴
- 遠方操作可能な系統連系用開閉器として最適。
励磁突入電流とは
変圧器の運転を開始する場合に、電圧を印加した直後著しく大きな電流が流れることがあります。これを励磁突入電流といいます。
励磁突入電流は、定格電流の数倍から数十倍にも達することがあり、変圧器保護リレーやヒューズの誤動作および瞬時電圧低下の発生などの原因になります。
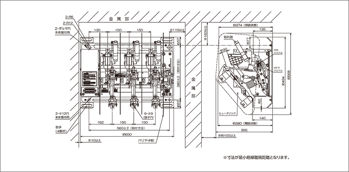
外形図
定格および仕様
準拠規格 JIS C 4611『ヒューズ付高圧交流負荷開閉器』
| 名称 | 励磁突入電流抑制機能付 LBS | ||
|---|---|---|---|
| 形式 | PFS-201TM-RS-A | PFS-205TM-RS-A | |
| 操作方式 | 三極連動電磁操作(フック棒操作)、 電圧引外し操作 |
||
| 電圧引外し装置の有無 | 有 | ||
| 接点の種類 | 溶断表示接点および補助接点 | ||
| 定格電圧[kV] | 7.2 | ||
| 定格電流 | 開閉部[A] | 200 | |
| ヒューズ部[A] | 60 | 100 | |
| 定格周波数[Hz] | 50 / 60 | ||
| 定格短時間電流(実効値)[kA] | ― | ||
| 定格投入遮断電流[kA] | A級 12.5(実効値) | ||
| 定格過負荷遮断電流[A] | C級 800 | A級 1800 | |
| 定格地絡遮断電流[A] | 30 | ||
| 定格開閉容量 | 負荷電流[A] | 200 | |
| 励磁電流[A] | 20 | ||
| 充電電流[A] | 30 | ||
| コンデンサ電流[A] | 30(リアクトル付) | 60(リアクトル付) | |
| 定格制御電圧[V] | AC100 / 110V | ||
| 操作時電流 | 15A(波高値):投入操作時 4A(波高値):引き外し操作時 |
||
| 開極時間 | ヒューズ引外し | 0.15s以下 | |
| 電圧引外し | 0.15s以下 | ||
| 連続開閉性能 | 電気的[回] | 200 | |
| 機械的[回] | 1000 | ||
| 定格耐電圧[kV] | 60 | ||
| 使用場所 | 屋内 | ||
| 総質量 [kg] | 約35 | 約37 | |
| 適用ヒューズ リンク |
PFG-1S-A[A] | 10 ~ 60 | 75,100 |
| 無負荷変圧器励磁突入倍率 | 3以下(75kVA以上) | ||
| 無負荷変圧器開閉回数 | 電磁投入(フック棒投入)、電圧引外し200回 | ||
必ず同梱のバリヤ(4枚)を本開閉器に取付けてください。
- (注)1.ヒューズリンクは付属品ではなく別売品となります。
- 2.A級とは、投入回数または遮断回数1回の意味を表します。
C級とは、投入回数または遮断回数3回の意味を表します。
標準付属品
| 絶縁バリヤ | 相間、側面:4枚 |
|---|---|
| 補助接点 | 引外し回路用:1C接点 入切表示用:1C接点 |
| 溶断接点 | 1C接点 |
ダウンロード
製品カタログ
取扱説明書
-
ENERMIC PFS-201TM-RS-A 取扱説明書(2,347KB)
ENERMIC PFS-205TM-RS-A 取扱説明書(2,321KB)
図面PDF
電設資材製品に関するお問い合わせ
電設資材製品 営業担当
- フリー
ダイヤル 0800-200-0440
- 東日本
営業部 03-3251-2690 FAX:03-3251-2695 - 名古屋
営業グループ 0568-67-9811 FAX:0568-67-9815 - 大阪
営業グループ 06-6534-0031 FAX:06-6534-0033 - 福岡
出張所 092-720-5901 FAX:092-720-5902