限流ヒューズ付負荷開閉器
PFS-205M-Aシリーズ
製品の主な特徴
- 欠相防止機能付き。
- 電圧引外し装置付きもラインアップ。
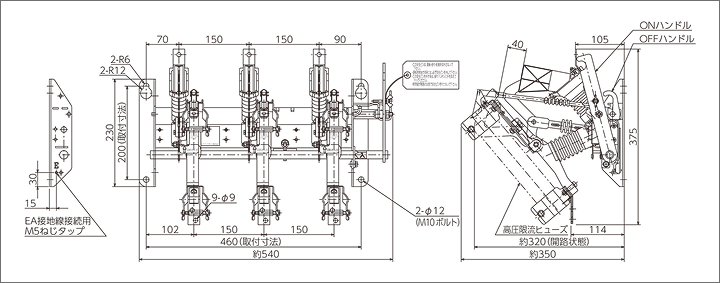
外形図
定格および仕様
準拠規格 JIS C 4611『ヒューズ付高圧交流負荷開閉器』
| 名称 | 限流ヒューズ付負荷開閉器(欠相防止装置付) | ||||||
|---|---|---|---|---|---|---|---|
| 形式 | PFS-205M-A | PFS-205 TM-A |
PFS-205 M-Y-A |
PFS-205 TM-Y-A |
PFS-205 M-W-A |
PFS-205 TM-W-A |
|
| 操作方式 | 三極連動 フック棒操作 |
三極連動 フック棒操作、 電圧引外し操作 |
三極連動 フック棒操作 |
三極連動 フック棒操作、 電圧引外し操作 |
三極連動 フック棒操作 |
三極連動 フック棒操作、 電圧引外し操作 |
|
| 電圧引外し装置の有無 | 無 | 有 | 無 | 有 | 無 | 有 | |
| 適用バリヤ | PFS-BM-B | ||||||
| 接点の種類 | ― | ― | 溶断表示接点付 | 溶断表示接点および補助接点付 | |||
| 定格電圧[kV] | 7.2 | ||||||
| 定格電流[A] | 200 | ||||||
| 定格周波数[Hz] | 50 / 60 | ||||||
| 定格短時間耐電流(実効値)[kA] | ― | ||||||
| 定格投入遮断電流[kA] | A級 12.5(実効値) | ||||||
| 定格過負荷遮断電流[A] | A級 1800 | ||||||
| 定格地絡遮断電流[A] | ― | 30 | ― | 30 | ― | 30 | |
| 定格開閉 容量 | 負荷電流[A] | 200 | |||||
| 励磁電流[A] | 10 | ||||||
| 充電電流[A] | 10 | ||||||
| コンデンサ電流[A] | 60(リアクトル付) | ||||||
| 定格引外し電圧[V] | ― | AC100 (連続定格) DC100 (短時間定格) |
― | AC100 (連続定格) DC100 (短時間定格) |
― | AC100 (連続定格) DC100 (短時間定格) |
|
| 開極時間 | ヒューズ引外し | 0.15s 以下 | |||||
| 電圧引外し | ― | 0.15s以下 | ― | 0.15s以下 | ― | 0.15s以下 | |
| 連続開閉 性能 |
電気的[回] | 開閉容量 200 | |||||
| 機械的[回] | 1000 | ||||||
| 定格耐電圧[kV] | 60 | ||||||
| 使用場所 | 屋内 | ||||||
| 総質量[kg] | 9 | 9.5 | 9.5 | 10 | 9.5 | 10 | |
| 適用 ヒューズ リンク |
PFG-1C (3.3kV 回路専用)[A] |
― | ― | ― | ― | ― | ― |
| PFG-1S-A[A] | 75、100 | ||||||
| PFG-1[A] | ― | ― | ― | ― | ― | ― | |
| PFU-1[A] | ― | ― | ― | ― | ― | ― | |
- (注)1.補助接点、バリヤは別途ご用命ください。補助接点、バリヤは取扱い説明書に基づき、取付をお願いします。
- 2.ヒューズリンクは付属品ではなく別売品となります。
- 3.A級とは、投入回数または遮断回数1回の意味を表します。
ダウンロード
製品カタログ
取扱説明書
図面PDF
-
205シリーズ(手動式)
-
205シリーズ(自動式)
オプション・関連製品
電設資材製品に関するお問い合わせ
電設資材製品 営業担当
- フリー
ダイヤル 0800-200-0440
- 東日本
営業部 03-3251-2690 FAX:03-3251-2695 - 名古屋
営業グループ 0568-67-9811 FAX:0568-67-9815 - 大阪
営業グループ 06-6534-0031 FAX:06-6534-0033 - 福岡
出張所 092-720-5901 FAX:092-720-5902



