高圧ヒューズ
QC-1
製品の主な特徴
- 進相コンデンサ保護に最適。高圧カットアウト用万能形限流ヒューズ。
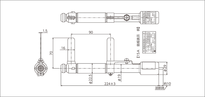
外形図
定格および仕様
| 形式 | QC-1 | |||
|---|---|---|---|---|
| 定格電圧[kV] | 7.2 | |||
| 定格遮断電流[kA] | 40 | |||
| 定格最小遮断電流 | 全領域遮断可能 ※1 | |||
| 定格電流[A] | G | 7 | 10 | 15 |
| T | 3 | 7 | 10 | |
| M | 2 | 4 | 5 | |
| C | ― | 5 | 7 | |
| 寸法[mm] | L | 224 | ||
| φD | 19 | |||
| 総質量[kg] | 0.3 | |||
- (注)※1 最小遮断電流に対する動作時間は約7200秒(2時間)以上です。
ダウンロード
製品カタログ
取扱説明書
図面PDF
電設資材製品に関するお問い合わせ
電設資材製品 営業担当
- フリー
ダイヤル 0800-200-0440
- 東日本
営業部 03-3251-2690 FAX:03-3251-2695 - 名古屋
営業グループ 0568-67-9811 FAX:0568-67-9815 - 大阪
営業グループ 06-6534-0031 FAX:06-6534-0033 - 福岡
出張所 092-720-5901 FAX:092-720-5902